冠县水务集团有限公司
首页
企业简介
公司动态
政策法规
网上营业厅
营商环境
信息公开
专题专栏
当前位置:
首页
公司动态
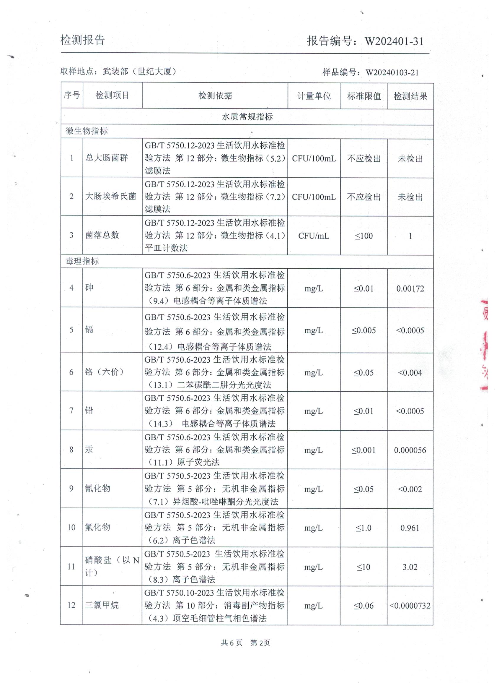
2024年1月城区出厂水武装部(世纪大厦)
2024年1月城区出厂水武装部(世纪大厦)
2024-02-04 16:51:00
掌柜
原创
5750
发表评论
称呼
邮箱
接收邮件提醒
内容
评论通过审核后显示。
文章列表
公司动态
政策法规
营商环境
信息公开
专题专栏
联系我们
电话:
0543-3337333
旺旺:
linktz279
地址:
山东省滨州市滨城区渤海十八路766号瞰海新天地3号楼
移动访问