冠县水务集团有限公司
首页
企业简介
公司动态
政策法规
网上营业厅
营商环境
信息公开
专题专栏
当前位置:
首页
信息公开
水质信息
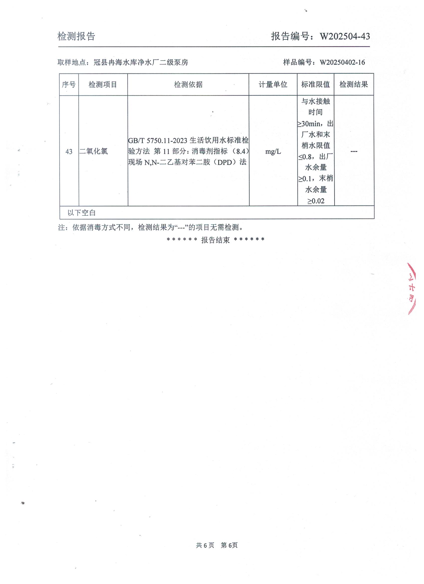
2025年4月出厂水水质检测报告
2025年4月出厂水水质检测报告
2025-05-13 16:16:00
掌柜
原创
1660
发表评论
称呼
邮箱
接收邮件提醒
内容
评论通过审核后显示。
信息公开
单位概况
法规标准
公开栏目及指南
价格收费
办事服务
便民公告
水质信息
安全警示
投诉监督
联系我们
电话:
0543-3337333
旺旺:
linktz279
地址:
山东省滨州市滨城区渤海十八路766号瞰海新天地3号楼
移动访问